在cmos圖像傳感器芯片上還可以集成其他數字信號處理電路,如AD轉換器、自動曝光量控制、非均勻補償、白平衡處理、黑電平控制、伽瑪校正等,為了進行快速計算甚至可以將具有可編程功能的DSP器件與CMOS器件集成在一起,從而組成單片數字相機及圖像處理系統。
1963年Morrison發表了可計算傳感器,這是一種可以利用光導效應測定光斑位置的結構,成為CMOS圖像傳感器發展的開端。1995年低噪聲的CMOS有源像素傳感器單片數字相機獲得成功。cmos圖像傳感器具有以下幾個優點:
1)、隨機窗口讀取能力。隨機窗口讀取操作是cmos圖像傳感器在功能上優于CCD的一個方面,也稱之為感興趣區域選取。此外,CMOS圖像傳感器的高集成特性使其很容易實現同時開多個跟蹤窗口的功能。
2)、抗輻射能力??偟膩碚f,cmos圖像傳感器潛在的抗輻射性能相對于CCD性能有重要增強。
3)、系統復雜程度和可靠性。采用CMOS圖像傳感器可以大大地簡化系統硬件結構。
4)、非破壞性數據讀出方式。
5)、優化的曝光控制。值得注意的是,由于在像元結構中集成了多個功能晶體管的原因,cmos圖像傳感器也存在著若干缺點,主要是噪聲和填充率兩個指標。鑒于cmos圖像傳感器相對優越的性能,使得CMOS圖像傳感器在各個領域得到了廣泛的應用。
美國高清高速cmos圖像傳感器
DYNAMAX-11:潘納維申影像這顆新的傳感器含有的全局電子曝光快門技術,極大地改善了工業成像在室內和室外的應用。這顆新發布的DYNAMAX-11圖像傳感器適合用于機器視覺、安防監控、智能交通、生命科學、生物醫療、科學影像、高清錄像、電視廣播等工業成像領域。這顆新發布的DYNAMAX-11圖像傳感器含有320萬像素,像素大小為5.0?m × 5.0?m。DYNAMAX-11具有以下一些特點:
1:高靈敏度,低噪聲。DYNAMAX-11在卷簾曝光的模式下,可以實現小于4 electrons rms噪聲,在全局曝光的模式下,可以實現小于8 electrons rms噪聲。
2:寬的光譜響應范圍,覆蓋從可見光到紅外。
3: DYNAMAX-11具有快速的輸出能力,可以達到全尺寸3.2M輸出時,60幀/秒,和HDTV1920*1080輸出時,72幀/秒的輸出速度。
4:高動態模式下的動態范圍可達120分貝.
DYNAMAX-11采用了CLCC封裝,非常便于客戶的安裝焊接和結構設計。DYNAMAX-11 適合3/4英寸的光學尺寸。同時,DYNAMAX-11對應高清電視格式要求(HDTV,1080i,16:9),也設計了感興趣區域的2/3英寸的200萬像素光學格式(對角線11毫米)。
DYNAMAX-11彩色和黑白兩種芯片的樣片正提供給PVI的客戶.
cmos圖像傳感器的歷史、應用領域及未來發展趨勢
cmos圖像傳感器始于“拍照和錄像應用”,盛行于“移動市場”,最近幾年,又受到高附加值下游市場的驅動。那么,未來哪些將成為cmos圖像傳感器的高增長領域呢?消費類、無人機、機器人還是VR?
cmos圖像傳感器具有體積小、功耗低等優勢,在cmos圖像傳感器領域占有率達到90%。隨著背照式和堆棧式技術等新型CMOS圖像傳感器技術的進步,以及雙攝像頭、3D攝像頭陸續出現并成為智能手機的新賣點。再加上汽車、無人機、VR以及AR技術等新興市場的推動,cmos圖像傳感器正迎來新一輪的產業成長高峰。


cmos圖像傳感器應用趨勢
1、消費市場依然占據主導地位
眾所周知,移動端一直是cmos圖像傳感器重要的市場。據預測,未來智能手機中將廣泛采用雙攝像頭和3D攝像頭,隨著這兩種應用的普及,CMOS無疑將迎來新一輪的爆發。同時這將驅動著cmos圖像傳感器產業發生變化,從成像質量到人機交互,這是一個從成像到傳感和用戶界面的大轉變。
2、汽車是增長最快的細分市場
汽車電子是cmos圖像傳感器增長最快的細分市場,2015年全球銷售額為4.8億美元,占CMOS市場的4.8%,預計2020年銷售額可達18億美元,市場占比將達到11%。
ADAS系統的不斷進步使得汽車上需要搭載后視、前視、環繞視CMOS攝像頭,以直接獲取周圍環境的圖像信息,實現前向碰撞預警、車道偏離警示、自動泊車、路況記錄、車輛/行人/障礙物識別、車內環境監控等功能。目前高端汽車ADAS系統包含5-8個攝像頭,未來隨著無人駕駛技術的發展,汽車搭載的CMOS傳感器數量有望超過10個。
3、醫療應用需求涌現
傳統的電荷耦合設備(CCD)圖像傳感器技術已不能滿足醫療圖像抓取應用的需要。cmos圖像傳感器憑借其六大優勢席卷醫療電子應用,主要優勢包括:系統集成度更高、動力要求較低、圖像抓取功能更為靈活、界面智能化程度更高、動態范圍更大、感光度更高。一些常用的醫療器械如醫療內窺鏡均因為cmos圖像傳感器使得性能有大幅度提升。
ams的cmos圖像傳感器已經在以上這些領域廣泛應用,ams CEO Alexander Everke就曾預測其他細分市場未來也有廣闊的應用空間:“未來cmos圖像傳感器將在3D建模、AR/VR、手勢、臉部識別、3D掃描和游戲六大領域爆發。”
下游需求旺盛,產業競爭激烈,在cmos圖像傳感器界占有重要地位的ams以一系列高性能的產品組合,并不斷致力于技術創新的戰略來面對。
4、面型圖像傳感器
包含CMV、CHR系列產品,廣泛應用于工業視覺、科學研究、航天軍事及醫療儀器相關領域。


5、線型圖像傳感器
包含Orion Line Scan、Dragster Line Scan及4LS Line Scan三大系列產品,廣泛應用于工業視覺及醫療儀器相關產業。


6、微縮模塊
Naneye系列產品,可應用于醫療儀器和監控檢測相關產業。


cmos圖像傳感器基本工作原理
下圖為cmos圖像傳感器的功能框圖。


首先,外界光照射像素陣列,發生光電效應,在像素單元內產生相應的電荷。行選擇邏輯單元根據需要,選通相應的行像素單元。行像素單元內的圖像信號通過各自所在列的信號總線傳輸到對應的模擬信號處理單元以及A/D轉換器,轉換成數字圖像信號輸出。其中的行選擇邏輯單元可以對像素陣列逐行掃描也可隔行掃描。行選擇邏輯單元與列選擇邏輯單元配合使用可以實現圖像的窗口提取功能。模擬信號處理單元的主要功能是對信號進行放大處理,并且提高信噪比。另外,為了獲得質量合格的實用攝像頭,芯片中必須包含各種控制電路,如曝光時間控制、自動增益控制等。為了使芯片中各部分電路按規定的節拍動作,必須使用多個時序控制信號。為了便于攝像頭的應用,還要求該芯片能輸出一些時序信號,如同步信號、行起始信號、場起始信號等。
從某一方面來說,cmos圖像傳感器在每個像素位置內都有一個放大器,這就使其能在很低的帶寬情況下把離散的電荷信號包轉換成電壓輸出,而且也僅需要在幀速率下進行重置。cmos圖像傳感器的優點之一就是它具有低的帶寬,并增加了信噪比。由于制造工藝的限制,早先的CMOS圖像傳感器無法將放大器放在像素位置以內。這種被稱為PPS的技術,噪聲性能很不理想,而且還引來對cmos圖像傳感器的種種干擾。
然而今天,隨著制作工藝的提高,使在像素內部增加復雜功能的想法成為可能?,F在,在像素位置以內已經能增加諸如電子開關、互阻抗放大器和用來降低固定圖形噪聲的相關雙采樣保持電路以及消除噪聲等多種附加功能。實際上,在Conexant公司(前Rockwell半導體公司)的一臺先進的CMOS攝像機所用的cmos圖像傳感器上,每一個像素中都設計并使用了6個晶體管,測試到的讀出噪聲只有1均方根電子。不過,隨著像素內電路數量的不斷增加,留給感光二極管的空間逐漸減少,為了避免這個比例(又稱占空因數或填充系數)的下降,一般都使用微透鏡,這是因為每個像素位置上的微小透鏡都能改變入射光線的方向,使得本來會落到連接點或晶體管上的光線重回到對光敏感的二極管區域。
因為電荷被限制在像素以內,所以CMOS圖像傳感器的另一個固有的優點就是它的防光暈特性。在像素位置內產生的電壓先是被切換到一個縱列的緩沖區內,然后再被傳輸到輸出放大器中,因此不會發生傳輸過程中的電荷損耗以及隨后產生的光暈現象。它的不利因素是每個像素中放大器的閾值電壓都有細小的差別,這種不均勻性就會引起固定圖像噪聲。然而,隨著CMOS圖像傳感器的結構設計和制造工藝的不斷改進,這種效應已經得到顯著弱化。
這種多功能的集成化,使得許多以前無法應用圖像技術的地方現在也變得可行了,如孩子的玩具,更加分散的保安攝像機、嵌入在顯示器和膝上型計算機顯示器中的攝像機、帶相機的移動電路、指紋識別系統、甚至于醫學圖像上所使用的一次性照相機等,這些都已在某些設計者的考慮之中。
CMOS圖像傳感器陣列結構
下圖所示的是CMOS像敏元陣列結構,它由水平移位寄存器、垂直移位寄存器和CMOS像敏元陣列組成。


(1一垂直移位寄存器:2一水平移位寄存器;3一水平掃描開關;4一垂直掃描開關;5一像敏元陣列;6一信號線;7一像敏元)
下圖是CMOS攝像器件的原理框圖。


如前所述,各MOS晶體管在水平和垂直掃描電路的脈沖驅動下起開關作用。水平移位寄存器從左至右順次地接通起水平掃描作用的MOS晶體管,也就是尋址列的作用,垂直移位寄存器順次地尋址列陣的各行。每個像元由光敏二極管和起垂直開關作用的MOS晶體管組成,在水平移位寄存器產生的脈沖作用下順次接通水平開關,在垂直移位寄存器產生的脈沖作用下接通垂直開關,于是順次給像元的光敏二極管加上參考電壓(偏壓)。被光照的二極管產生載流子使結電容放電,這就是積分期間信號的積累過程。而上述接通偏壓的過程同時也是信號讀出過程。在負載上形成的視頻信號大小正比于該像元上的光照強弱。
cmos圖像傳感器結構類型
CCD型和CMOS型固態圖像傳感器在光檢測方面都利用了硅的光電效應原理,不同點在于像素光生電荷的讀出方式。典型的CMOS像素陣列,是一個二維可編址傳感器陣列。傳感器的每一列與一個位線相連,行允許線允許所選擇的行內每一個敏感單元輸出信號送入它所對應的位線上,位線末端是多路選擇器,按照各列獨立的列編址進行選擇。


根據像素的不同結構,cmos圖像傳感器可以分為無源像素被動式傳感器(PPS)和有源像素主動式傳感器(APS)。根據光生電荷的不同產生方式APS又分為光敏二極管型、光柵型和對數響應型,現在又提出了DPS(digital pixel sensor)概念。
1、無源像素被動式傳感器


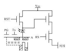
PPS出現得最早,結構也最簡單,使得cmos圖像傳感器走向實用化,其結構原理如圖3所示。每一個像素包含一個光敏二極管和一個開關管TX。當TX選通時,光敏二極管中由于光照產生的電荷傳送到了列線col,列線下端的積分放大器將該信號轉化為電壓輸出,光敏二極管中產生的電荷與光信號成一定的比例關系。無源像素具有單元結構簡單、尋址簡單、填充系數高、量子效率高等優點,但它靈敏度低、讀出噪聲大。因此PPS不利于向大型陣列發展,所以限制了應用,很快被APS代替
2、光敏二極管像素單元


光敏二極管像素單元是由光敏二極管,復位管,源跟隨和行選通開關管組成,此外還有電荷溢出門管M3,M3的作用是增加電路的靈敏度,用一個較小的電容就能夠檢測到整個光敏二極管的n+擴散區所產生的全部光生電荷,它的柵極接約1V的恒定電壓,在分析器件工作原理時可以忽略將其看成短路。電荷敏感擴散電容用做收集光生電荷。復位管M4對光敏二極管和電容復位,同時作為橫向溢出門控制光生電荷的積累和轉移。源跟隨器M1的作用是實現對信號的放大和緩沖,改善APS的噪聲問題。源跟隨器還可加快總線電容的充放電,因而允許總線長度增加和像素規模增大。因此,APS比PPS具有低讀出噪聲和高讀出速率等優點,但像素單元結構復雜,填充系數降低,填充系數一般只有20%到30%。它的工作過程是:首先進入“復位狀態”,復位管打開,對光敏二極管復位;然后進入“取樣狀態”,復位管關閉,光照射到光敏二極管上產生光生載流子,并通過源跟隨器放大輸出;最后進入“讀出狀態”,這時行選通管打開,信號通過列總線輸出。
3、光柵型APS


光柵型APS是由美國噴氣推進實驗室(JPL)首先推出的。其中感光結構由光柵PG 和傳輸門TX構成。光柵輸出端為漂移擴散端,它與光柵PG被傳輸門TX隔開。像素單元還包括一個復位晶體管,一個源跟隨器和一個行選通晶體管。當光照射在像素單元時,在光柵PG處產生電荷;與此同時,復位管打開,對勢阱復位;然后復位管關閉,行選通管打開,復位后的電信號由此通路被讀出并暫存起來,之后傳輸門TX打開,光照產生的電信號通過勢阱并被讀出,前后兩次的信號差就是真正的圖像信號。
4、對數響應型CMOS-APS
對數響應型CMOS-APS擁有很高的動態范圍。它由光敏二極管、負載管、源跟隨器和行選通管組成,負載管柵極是一恒定偏置電壓(不一定要是電源電壓),該像素單元輸出信號與入射光信號成對數關系,它的工作特點是光線被連續地轉化為信號電壓,而不像一般APS那樣存在復位和積分過程。但是,對數響應型CMOS-APS的一個致命缺陷就是對器件參數相當敏感,特別是閾值電壓。
PPS和APS都是在像素外進行模/數(A/D)轉換的,而DPS將模/數(A/D)轉換集成在每一個像素單元里,每一個像素單元輸出的是數字信號,工作速度更快,功耗更低。
cmos圖像傳感器參數
1、傳感器尺寸
cmos圖像傳感器的尺寸越大,則成像系統的尺寸越大,捕獲的光子越多,感光性能越好,信噪比越低。目前,cmos圖像傳感器的常見尺寸有1英寸、2/3英寸、1/2英寸、1/3英寸、1/4英寸等。


2、像素總數和有效像素數
像素總數是指所有像素的總和,像素總數是衡量cmos圖像傳感器的主要技術指標之一。cmos圖像傳感器的總體像素中被用來進行有效的光電轉換并輸出圖像信號的像素為有效像素。顯而易見,有效像素總數隸屬于像素總數集合。有效像素數目直接決定了cmos圖像傳感器的分辨能力。


3、動態范圍
動態范圍由cmos圖像傳感器的信號處理能力和噪聲決定,反映了cmos圖像傳感器的工作范圍。參照CCD的動態范圍,其數值是輸出端的信號峰值電壓與均方根噪聲電壓之比,通常用DB表示。


4、光譜響應特性
cmos圖像傳感器的信號電壓Vs和信號電流Is是入射光波長λ的函數。光譜響應特性就是指CMOS圖像傳感器的響應能力隨波長的變化關系,它決定了CMOS圖像傳感器的光譜范圍。
5、靈敏度
圖像傳感器對入射光功率的響應能力被稱為響應度。對于cmos圖像傳感器來說,通常采用電流靈敏度來反映響應能力,電流靈敏度也就是單位光功率所產生的信號電流。
6、分辨率
分辨率是指cmos圖像傳感器對景物中明暗細節的分辨能力。通常用調制傳遞函數(MTF)來表示,同時也可以用空間頻率(lp/mm)來表示。
7、光電響應不均勻性
cmos圖像傳感器是離散采樣型成像器件,光電響應不均勻性定義為cmos圖像傳感器在標準的均勻照明條件下,各個像元的固定噪聲電壓峰峰值與信號電壓的比值。
烜芯微專業制造二三極管,MOS管,20年,工廠直銷省20%,1500家電路電器生產企業選用,專業的工程師幫您穩定好每一批產品,如果您有遇到什么需要幫助解決的,可以點擊右邊的工程師,或者點擊銷售經理給您精準的報價以及產品介紹
烜芯微專業制造二三極管,MOS管,20年,工廠直銷省20%,1500家電路電器生產企業選用,專業的工程師幫您穩定好每一批產品,如果您有遇到什么需要幫助解決的,可以點擊右邊的工程師,或者點擊銷售經理給您精準的報價以及產品介紹

