
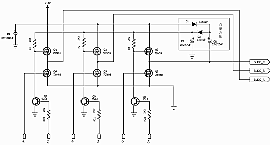
MOS高壓側自舉升壓電路
如果不添加自舉電路,
舉例如下:
如果MOS的Drink極電壓為12V,Source極電壓原為0V,Gate極驅動電壓也為12V,那么當MOS在導通瞬間,Soure極電壓會升高為Drink減壓減去一個很小的導通壓降,那么Vgs電壓會接近于0V,MOS在導通瞬間后又會關斷,再導通,再關斷。
如此下去,長時間在MOS的Drink極與Source間通過的是一個N倍于工作頻率的高頻脈沖,這樣的脈沖尖峰在MOS上會產生過大的電壓應力,很快MOS管會被損壞。
如果在MOS的Gate與Source間接入一個小電容,在MOS未導通時給電容充電,在MOS導通,Source電壓升高后,自動將Gate極電壓升高,便可使MOS保持繼續導通。
圖中自舉升壓電路解析(電荷泵工作原理):
1、上電時:電源+11V流過D1、D2向C3充電,C3上的電壓很快升至接近11V;
2、如果Q6導通,C1負極被拉低,C1形成充電回路,會很快C1充電至11V;
3、當PWM波形翻轉,Q6截止,Q3導通,C1負極電位被抬高到接近電源電壓11V,水漲船高,此時C1正極電位已超過電源電壓,并高于C3端電壓。因為D1的存在,該電壓不會向電源倒流;
4、此時開始先C3充電,C3上的端電壓被充至接近2倍電源電壓22V;
5、只要Q3、Q6一直輪流導通和截止,C1就會不斷向C3充電,使C3端電壓一直保持22V的電壓。
〈烜芯微/XXW〉專業制造二極管,三極管,MOS管,橋堆等,20年,工廠直銷省20%,上萬家電路電器生產企業選用,專業的工程師幫您穩定好每一批產品,如果您有遇到什么需要幫助解決的,可以直接聯系下方的聯系號碼或加QQ/微信,由我們的銷售經理給您精準的報價以及產品介紹
聯系號碼:18923864027(同微信)
QQ:709211280

