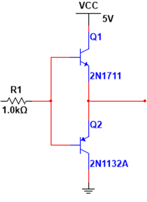
三極管推挽電路
三極管推挽電路輸出特點:Vout=Vin-0.3V(如下圖所示)

這種輸出方式跟三極管的特性分不開。
下文中的MOS管推挽電路將規避這個問題:
涉及知識:三極管導通特性需要考慮壓降,MOS管導通是沒有壓降這個概念,只需要考慮導通阻抗問題(Rds-on)
MOS管推挽電路設計
上N上N型推挽電路:如下圖所示。Vout幾乎等于VCC(這種方式是軌對軌方式(rail-rail))
工作特性:一般工作在頻率比較高,功率比較大的電路。

重點:其中工作方式與之前三極管推挽電路工作方式相同;但上管導通時需要考慮自舉電路設計。
上P上N型推挽電路:如下圖所示。

MOS管導通條件:
P:Vgs<Vth
N:Vgs>Vth
所以,上P下N型推挽電路需要設計時序,方式上管和下管同時導通。
工作特性:一般工作相對于上N下N型推挽電路頻率比較低,功率比較低的電路。(原因是P管相對于N管開關速度慢,Rds-on相對于N管大一點)
〈烜芯微/XXW〉專業制造二極管,三極管,MOS管,橋堆等,20年,工廠直銷省20%,上萬家電路電器生產企業選用,專業的工程師幫您穩定好每一批產品,如果您有遇到什么需要幫助解決的,可以直接聯系下方的聯系號碼或加QQ/微信,由我們的銷售經理給您精準的報價以及產品介紹
聯系號碼:18923864027(同微信)
QQ:709211280

