MOS管搭建反相器
下圖為反相器的結構示意圖,由一個PMOS和一個NMOS拼接而成
當v=1時,T1截止,T2導通,vo=0;
當v=0時,T1導通,T2截止,vo=1;

MOS管搭建傳輸門
利用PMOS和NMOS的互補性可以拼接而成CMOS傳輸門
當C=1時,傳輸門開啟,輸出端=輸入端

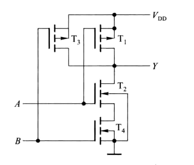
MOS管搭建與非門
如圖為CMOS搭建的與非門結構,由兩個并聯的PMOS和兩個串聯的NMOS構成

當A=B=1時,T2和T4導通,Y=0;
當A=B=0時,T3和T1導通,Y=1;
當A=1,B=0時,T3導通,T2導通,但T4截止,Y=1;
當A=0,B=1時,T1導通,T4導通,但T2截止,Y=1;
對應關系為:
Y =A·B
〈烜芯微/XXW〉專業制造二極管,三極管,MOS管,橋堆等,20年,工廠直銷省20%,上萬家電路電器生產企業選用,專業的工程師幫您穩定好每一批產品,如果您有遇到什么需要幫助解決的,可以直接聯系下方的聯系號碼或加QQ/微信,由我們的銷售經理給您精準的報價以及產品介紹
聯系號碼:18923864027(同微信)
QQ:709211280

