MOS管防反接
電源反接,會給電路造成損壞,不過,電源反接是不可避兔的。所以就需要給電路中加入保護電路,達到即使接反電源,也不會損壞的目的。
MOS管防反接,好處就是壓降小,小到幾乎可以忽略不計?,F在的MOS管可以做到幾個毫歐的內阻, 假設是6.5毫歐,通過的電流為1A (這個電流已經很大了) ,在它上面的壓降只有6.5毫伏。
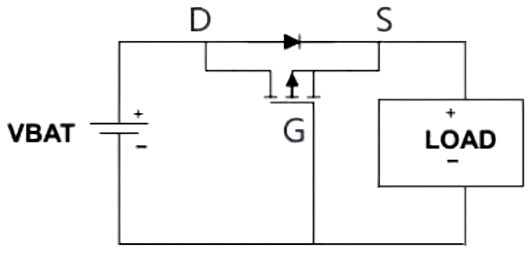
NMOS管防止電源反接電路:

正確連接時: 剛上電, MOS管的寄生二極管導通,所以S的電位大概就是0.6V ,而G極的電位,是VBAT,VBAT-0.6V大于UGS的閥值開啟電壓,MOS管的DS就會導通,由于內阻很小,所以就把寄生二_極管短路了,壓降幾乎為0。
電源接反時: UGS=0,MOS管不會導通,和負載的回路就是斷的,從而保證電路安全。
PMOS管防止電源反接電路:

正確連接時: 剛上電, MOS管的寄生二極管導通,電源與負載形成回路,所以S極電位就是VBAT-0.6V ,而G極電位是0V,PMOS管導通,從D流向S的電流把二極管短路。
電源接反時: G極是高電平, PMOS管不導通。保護電路安全。
連接技巧
NMOS管DS串到負極,PMOS管DS串到正極,讓寄生二極管方向朝向正確連接的電流方向。
感覺DS流向是“反”的?
仔細的朋友會發現,防反接電路中,DS的電流流向,和我們平時使用的電流方向是反的。
為什么要接成反的?
利用寄生二極管的導通作用,在剛上電時,使得UGS滿足閥值要求。
為什么可以接成反的?
如果是三極管,NPN的電流方向只能是C到E , PNP的電流方向只能是E到C。不過, MOS管的D和S是可以互換的。這也是三極管和MOS管的區別之一。
上面是示意圖,實際應用時, G極前面要加個電阻。
〈烜芯微/XXW〉專業制造二極管,三極管,MOS管,橋堆等,20年,工廠直銷省20%,上萬家電路電器生產企業選用,專業的工程師幫您穩定好每一批產品,如果您有遇到什么需要幫助解決的,可以直接聯系下方的聯系號碼或加QQ/微信,由我們的銷售經理給您精準的報價以及產品介紹
聯系號碼:18923864027(同微信)
QQ:709211280

